HM 6X37 S MET. HOLLEWANDPLUG (50 STUKS) REF:519777 FISCHER
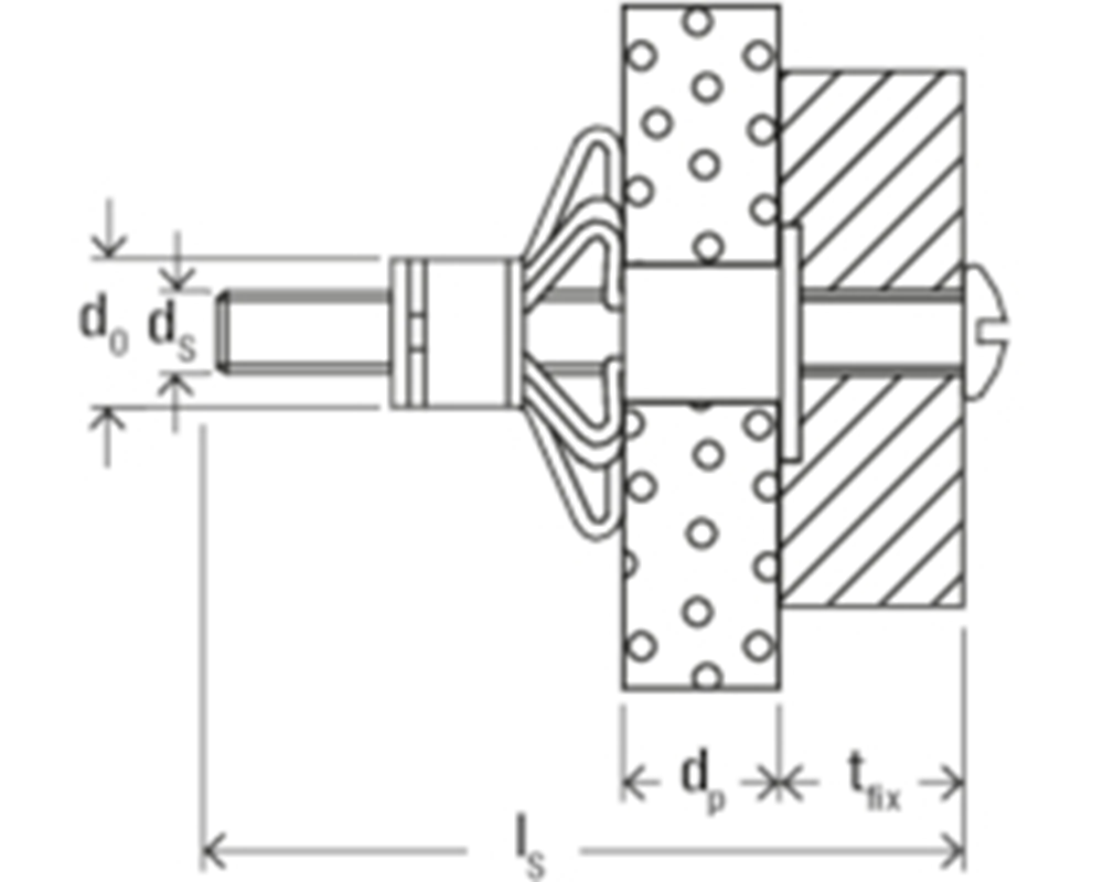
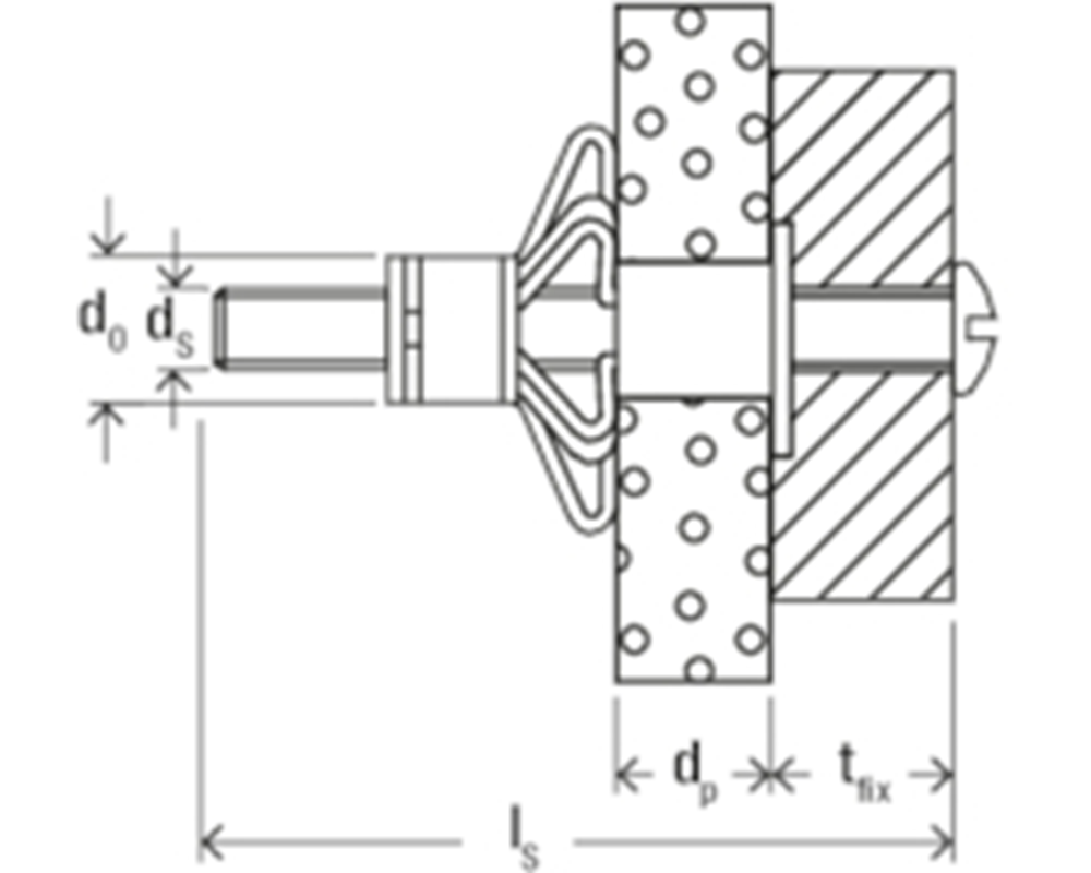
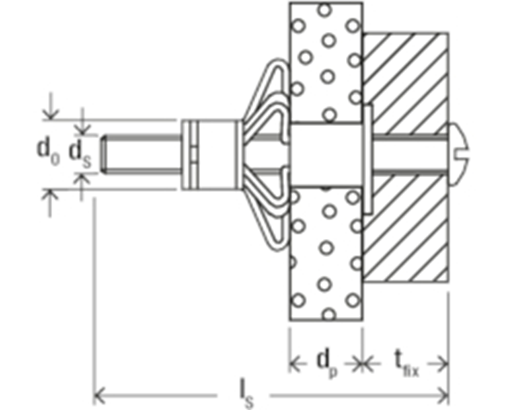
De fischer Metalen hollewandplug HM-S is een veelzijdige hollewandplug met metrische bout voor alle plaatmateriaal. De plug wordt met de fischer Hollewandplug tang HM-Z 1 in de voorsteekmontage geplaatst. Met de tang wordt de plug in de holle ruimte achter het plaatmateriaal getrokken. De armen spreiden zich daarbij uit achter het plaatmateriaal en verdelen de krachten over een groot oppervlak. Als alternatief is de montage ook met behulp van een schroevendraaier of een accu-schroefboormachine mogelijk. De fischer Metalen hollewandplug HM-S is geschikt voor de bevestiging van verlichting, handdoekenrekken en gordijnrails in de interieurbouw.
- VDS-Approval: Ja
FISCHER
Fischer's bevestigingsmaterialen staan bekend om hun uitzonderlijke kwaliteit en weerstand tegen de tand des tijds. Dit betekent minder zorgen voor jou en een stevige fundering waarop je kunt vertrouwen.
-
Gratis verzending vanaf €250,- incl. btw (BE)
-
Google klantbeoordeling 4,5/5
-
EAN |
4048962164893 |
Maateenheid |
verpakking van 50 stuks |
Intern artikelnummer |
I0804441 |
| Merk | FISCHER |



