Overslaan naar inhoud
Filters
Voor bedrijf en particulier | GRATIS VERZENDING vanaf € 250,- incl. btw (BE)


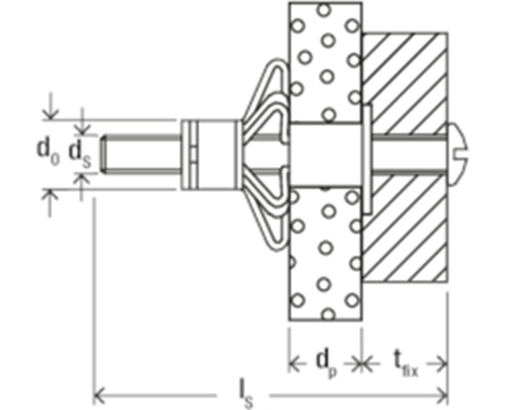
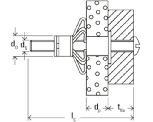
De meest voorkomende toepassing van een hollewandplug is bij de bevestiging aan gipsplaat, dun plaatmateriaal en holle wanden. Gipswanden zijn vaak dun en kwetsbaar. Daarom heb je voor een stevige bevestiging een speciale plug nodig. Gips wanden zijn trouwens niet altijd holle wanden. 
3 beschikbaar
SXRL 8X60 T REF:540113 FISCHER
€ 24,71 24.71 EUR
14 beschikbaar
DUOTEC 12 REF:542796 FISCHER
€ 11,29 11.29 EUR
Toon 32 van 83 resultaten
Laad meer